KODA AV 1068A ΣΥΝΔΕΣΗ ΜΕ PC ΚΑΙ 2,1 ΗΧΕΙΑ.



Timaras

*****
Μηνύματα
3.002
Reaction score
2.156
Γιατί δε ρίχνεις μια ματιά και σ'ένα πιο καλό 8ιντζο?Σίγουρα ένα καλό 8αράκι θα παίζει
πιο καλά από ένα πιο μέτριο 10άρι.Κάτι σαν και αυτό ας πούμε που έχει και σύστημα dsp
και presets και high level outputs που σημαίνει ότι μπορείς να συνδέσεις σ'αυτό τα
ηχεία σου και να ξεχάσεις τα b speakers του ενισχυτή.
Ορίστε και μια φωτογραφία της πίσω όψης του sub
Και του τηλεκοντρόλ του
 

GOM

Μηνύματα
261
Reaction score
43
Απάντηση: KODA AV 1068A ΣΥΝΔΕΣΗ ΜΕ PC ΚΑΙ 2,1 ΗΧΕΙΑ.

Ωραία...άρα ξαναπάμε στα βασικά.

Λοιπόν, θέλοντας να κάνω μια παρένθεση, ψάχνοντας στην αποθήκη (εκεί μέσα ότι θέλετε μπορώ να σας βρω:119:) βρήκα σε μια κούτα κάτι γομάρια ηχεία QUADRAL SM 150 II. φώτο επισυνάπτω να ρίξετε μια ματιά. Από χώρο βέβαια μόνο στο κεφάλι μου μπορώ να τα βάλω αν δεν ήταν 10 κιλά το καθένα. Παρόλο αυτά θα τους κάνω μια δοκιμή με τον marantz και βλέπω. Αυτό που θέλω να ρωτήσω είναι το εξής.

Πίσω ο ενισχυτής έχει τα εξής.

speaker system 1,2: 8 - 16 OHMS

speaker system 1+2: 16 OHMS

Των ηχείων τα σχετικά τα βλέπετε σε αυτό που επισυνάπτω.

Έχετε την καλοσύνη να μου πείτε σε ποια έξοδο είναι καλύτερα να συνδεθούν τα ηχεία? Picture_004.jpg quadral.jpg
 

GOM

Μηνύματα
261
Reaction score
43
Απάντηση: KODA AV 1068A ΣΥΝΔΕΣΗ ΜΕ PC ΚΑΙ 2,1 ΗΧΕΙΑ.

timaras, να κάνω ένα test drive με αυτά που ανέφερα πιο πάνω και το κοιτάμε αυτό που λες γιατί μου φαίνεται καλή φάση..
 

tyler durden

Μη ριβγιούερ
Μηνύματα
5.697
Reaction score
2.743
Απάντηση: KODA AV 1068A ΣΥΝΔΕΣΗ ΜΕ PC ΚΑΙ 2,1 ΗΧΕΙΑ.

αδερφε εννοειται οτι αν πας σε velodyne ή κατι τετοιο ειναι καλυτερα αλλα δεν ανεφερα τιποτα γιατι εθεσες ενα χρηματικο οριο στις αγορες σου. Αν μπορεις παραπανω, καλυτερα για σενα. Ta quadral αστα..
 

Timaras

*****
Μηνύματα
3.002
Reaction score
2.156
Re: Απάντηση: KODA AV 1068A ΣΥΝΔΕΣΗ ΜΕ PC ΚΑΙ 2,1 ΗΧΕΙΑ.

Ο ενισχυτής λέει ότι εάν χρησιμοποιείς την 1η ή 2η έξοδο ηχείων θα πρέπει αυτά να είναι αντίστασης
8 έως 16 Ohms.Εάν χρησιμοποιείς και τις δύο ταυτόχρονα θα πρέπει τα ηχεία να είναι αντίστασης
16 Ohms.
 

GOM

Μηνύματα
261
Reaction score
43
Απάντηση: KODA AV 1068A ΣΥΝΔΕΣΗ ΜΕ PC ΚΑΙ 2,1 ΗΧΕΙΑ.

Μάπα τα quadral ε? θα τσεκάρω μερικά ηχεία από το ίδιο μαγαζί που μου φαίνονται οκ στις διαστάσεις τουλάχιστον και θα τα ποστάρω να μου πείτε αν ταιριάζουν με το συγκεκριμένο sub
 

Timaras

*****
Μηνύματα
3.002
Reaction score
2.156
Re: Απάντηση: KODA AV 1068A ΣΥΝΔΕΣΗ ΜΕ PC ΚΑΙ 2,1 ΗΧΕΙΑ.

timaras, να κάνω ένα test drive με αυτά που ανέφερα πιο πάνω και το κοιτάμε αυτό που λες γιατί μου φαίνεται καλή φάση..
Πιστεύω και γω ότι είναι καλή φάση γιατί έχει πιο πολλές δυνατότητες από τα δεκάρια
που αναφέρεις πιο πάνω και φαίνεται να έχει και καλή μονάδα.Στο πρότεινα κιόλας
γιατί είδα ότι ήδη έχεις αρχίσει και κοιτάς μέχρι τα 5 κατοστάρικα!
 

GOM

Μηνύματα
261
Reaction score
43
Απάντηση: KODA AV 1068A ΣΥΝΔΕΣΗ ΜΕ PC ΚΑΙ 2,1 ΗΧΕΙΑ.

Tim, ναι, όσο πάει και ανεβαίνει το μαλλί...αλλά όσο ξεφεύγω από τα 300-400, θα περιμένω προς το τέλος του μήνα για να πάρω ότι καταλήξω μπας και μαζέψω κανά φράγκο.

Να ρωτήσω τώρα 2 απορίες (από τις πολλές)

1. Με το συγκεκριμένο sub που είπαμε, το velodyne, αντί για κάποια καλά ηχεία βιβλιοθήκης, λεπτές στήλες ας πούμε ταιριάζουν? και αν ναι, θα είναι καλύτερο το αποτέλεσμα? όπως αυτές πχ. Το λέω γιατί ίσως τελικά χρειαστώ και βάσεις οπότε ίσως αυτά βολεύουν καλύτερα.

2. Ηχεία π.χ αυτού του τύπου ή και αυτού , μπορούν να δώσουν ένα αντίστοιχο αποτέλεσμα σαν το 2.1 που λέμε ή θα είναι η μέρα με την νύχτα?

3. Το sub αυτό είναι πολύ μάπα? :119:
 

Timaras

*****
Μηνύματα
3.002
Reaction score
2.156
Re: Απάντηση: KODA AV 1068A ΣΥΝΔΕΣΗ ΜΕ PC ΚΑΙ 2,1 ΗΧΕΙΑ.

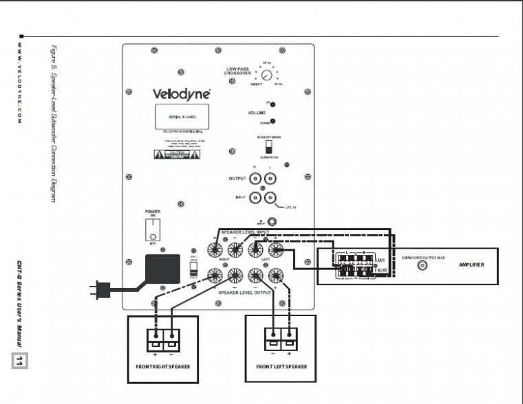
Πάρε και ένα σχεδιάγραμμα σύνδεσης των ηχείων στο sub επάνω
 

Attachments


GOM

Μηνύματα
261
Reaction score
43
Απάντηση: Re: Απάντηση: KODA AV 1068A ΣΥΝΔΕΣΗ ΜΕ PC ΚΑΙ 2,1 ΗΧΕΙΑ.

Πάρε και ένα σχεδιάγραμμα σύνδεσης των ηχείων στο sub επάνω
από τον ενισχυτή φεύγουν 4 καλώδια δηλαδή και πάνε στο sub?
 

Μηνύματα
10.380
Reaction score
6
Ναι.

Και από κει άλλα τέσσερα για τα ηχεία ή κατ' ευθείαν από τον ενισχυτή στα ηχεία, αναλόγως τη σύνδεση που θα επιλέξεις.

Επίσης:
Σε περίπτωση που επιλέξεις το sub να στείλει σήμα στα ηχεία θα υπάρχει φίλτρο για τις χαμηλές. Δηλαδή θα στέλνει στα ηχεία από μία συχνότητα και πάνω γιατί τις χαμηλές θα τις αναλάβει αυτό. Το αν αυτή η συχνότητα ρυθμίζεται ή είναι fix (όχι η μπύρα βέβαια :103:) είναι θέμα του sub.

Σε περίπτωση που επιλέξεις ο ενισχυτής να οδηγεί τα ηχεία τότε σίγουρα η αποκοπή ρυθμίζεται από το ρυθμιστικό.


Στο επόμενο μάθημα θα πούμε τα πλεονεκτήματα και μειονεκτήματα της κάθε σύνδεσης.... . :105:
 

GOM

Μηνύματα
261
Reaction score
43
Απάντηση: KODA AV 1068A ΣΥΝΔΕΣΗ ΜΕ PC ΚΑΙ 2,1 ΗΧΕΙΑ.

xa, οκ. θα αρχίσω να διαβάζω περισσότερο και γω σιγά σιγά...:107:

Μπορείς να μου πεις τη γνώμη σου σε αυτά που ρώτησα στην προηγούμενη σελίδα στο τέλος?
Είναι 3 απορίες μαζί....
Απουσίαζα σ αυτό το μάθημα...:107:
 

Μηνύματα
10.380
Reaction score
6
Γνωστή και δοκιμασμένη λύση για βάσεις που μπορείς να βάλεις ηχεία ραφιού ή βάσης.
http://www.stavrianos-dw.gr/product_info.php?products_id=5007

Το sub για το οποίο ρωτάς δεν το έχω ακούσει.

Κανένα ηχείο από αυτά που συζητάμε δεν μπορεί να φτάσει την ατάκα και τον όγκο του μπάσου ενός sub. Το Heco το επιδαπέδιο που ρώτησες δεν το βλέπω κι όλας να το πολυσυμπαθήσει ο ενισχυτής σου με 4 ohm αντίσταση που έχει.

Το δε Crystal Audio το λεπτό μόνο αν έχεις θέμα χώρου γιατί στην ουσία είναι σαν ηχείο δορυφόρος που κατεβαίνει έως τα 120 Hz. Δε θα έχεις το σώμα που πρέπει στις μεσοχαμηλές.

Για να έχει νόημα ένα setup 2.1 με δύο μεγάλα ηχεία δαπέδου, πρέπει το sub να είναι "γομάρι", αλλιώς το μόνο που θα κάνει είναι να μπορεί να τονίζει κάποιες χαμηλές που τα μεγάλα ηχεία ήδη μπορούν να παίξουν. Επίσης από ένα σημείο και μετά υπάρχει ο περιορισμός του πόσο μεγάλα ηχεία μπορεί να σηκώσει ο χώρος σου. Ξεχνάς τέτοιο setup σε χώρο κάτω των 35 τ.μ.

Για μένα η καλύτερη λύση είναι 2 ηχεία βάσης ή ραφιού και ένα sub. Και ταχύτερα είναι ως μικρά ηχεία και όποτε θελήσεις παίζεις μόνο με αυτά σβήνοντας το sub (να ένα πλεονέκτημα άμα τα οδηγεί ο ενισχυτής κατ' ευθείαν).
 

GOM

Μηνύματα
261
Reaction score
43
Απάντηση: KODA AV 1068A ΣΥΝΔΕΣΗ ΜΕ PC ΚΑΙ 2,1 ΗΧΕΙΑ.

Με κάλυψες πλήρως...:105:

θα επανέλθω αφού συλλέξω ένα πακετάκι ηχείων βιβλιοθήκης για να μου πείτε γνώμες.
Το μόνο που έχω καταλάβει πάντως, είναι η ευαισθησία τους να είναι κοντά στα 90db. Τουλάχιστον για τα χρήματα που διαθέτω. Σωστά? Βασικά η απόσταση που θα τα ακούω θα είναι συνήθως 3-4 μέτρα, οπότε δεν ξέρω αν παίζει καθόλου ρόλο η ευαισθησία τελικά...
Αν υπάρχει κάτι άλλο που πρέπει να τσεκάρω στα ηχεία μου λέτε, αν και φαντάζομαι πρέπει να είναι πολλά...

Α και δυστυχώς περιορίζομαι και λίγο από θέμα αισθητικής μιας και θα μπουν στο σαλόνι, να είναι χρώματος cherry, red, klp γενικά όχι μαύρα για να ταιριάζουν με το υπόλοιπο σύνολο του σαλονιού :114:

Μην βαράτε...:116:
 

tyler durden

Μη ριβγιούερ
Μηνύματα
5.697
Reaction score
2.743
Απάντηση: KODA AV 1068A ΣΥΝΔΕΣΗ ΜΕ PC ΚΑΙ 2,1 ΗΧΕΙΑ.

Tim, ναι, όσο πάει και ανεβαίνει το μαλλί...αλλά όσο ξεφεύγω από τα 300-400, θα περιμένω προς το τέλος του μήνα για να πάρω ότι καταλήξω μπας και μαζέψω κανά φράγκο.

Να ρωτήσω τώρα 2 απορίες (από τις πολλές)

1. Με το συγκεκριμένο sub που είπαμε, το velodyne, αντί για κάποια καλά ηχεία βιβλιοθήκης, λεπτές στήλες ας πούμε ταιριάζουν? και αν ναι, θα είναι καλύτερο το αποτέλεσμα? όπως αυτές πχ. Το λέω γιατί ίσως τελικά χρειαστώ και βάσεις οπότε ίσως αυτά βολεύουν καλύτερα.

2. Ηχεία π.χ αυτού του τύπου ή και αυτού , μπορούν να δώσουν ένα αντίστοιχο αποτέλεσμα σαν το 2.1 που λέμε ή θα είναι η μέρα με την νύχτα?

3. Το sub αυτό είναι πολύ μάπα? :119:
καλυτερα 2 ηχεια βασης κ σαμπ για να μπορει να τα οδηγησει καλυτερα ο ενισχυτης σου. Βεβαιως τα δαπεδου που ανεφερες δε φτανουν την εκταση του χαμηλου ενος σαμπ, αλλα εμενα δεν μ'αρεσει ιδιαιτερα η ουρα που αφηνει στα μπασσα ενα σαμπ και "θολωνει" το αποτελεσμα. Με ενα ζευγαρι δαπεδου εχεις πιο ομοιογενες αποτελεσμα. Αυτες τις "στηλες" που ανεφερες αστες, εδω μιλαμε για hifi κατασταση. Καλη λυση ειναι τα Heco Victa 300(βγαινουν σε χρωμα που θες) στα 170 ευρω, σε ενα ζευγαρι βασεις που σου αναφερθηκαν παραπανω, κ σε συνδυασμο με ενα σαμπ που θα διαλεξεις.
Αν σου κανει το αντιστοιχο σαμπ της σειρας Victa, ακομα καλυτερα
 

GOM

Μηνύματα
261
Reaction score
43
Απάντηση: Re: Απάντηση: KODA AV 1068A ΣΥΝΔΕΣΗ ΜΕ PC ΚΑΙ 2,1 ΗΧΕΙΑ.

Ο ενισχυτής λέει ότι εάν χρησιμοποιείς την 1η ή 2η έξοδο ηχείων θα πρέπει αυτά να είναι αντίστασης
8 έως 16 Ohms.Εάν χρησιμοποιείς και τις δύο ταυτόχρονα θα πρέπει τα ηχεία να είναι αντίστασης
16 Ohms.
Παιδιά πάνω σ αυτό. Αν στη μια έξοδο των ηχείων του ενισχυτή συνδέσω το sub, και στην άλλη τα ηχεία, άρα δεν χρησιμοποιώ ταυτόχρονα και τις 2 εξόδους του ενισχυτή? Άρα τα ηχεία πρέπει να είναι 16 ohms? Γιατί όσα βλέπω όλα είναι από 4 έως 8
 

Μηνύματα
10.380
Reaction score
6
:613:

Δε συνδέεις "δεύτερο ζευγάρι ηχείων". Αμελητέο νούμερο η αντίσταση όταν συνδέεται έτσι, δηλαδή σε High level in.

Προχώρα. :205:
 

GOM

Μηνύματα
261
Reaction score
43
Απάντηση: KODA AV 1068A ΣΥΝΔΕΣΗ ΜΕ PC ΚΑΙ 2,1 ΗΧΕΙΑ.

Pleo το πέταξα το μαργαριτάρι μου ε?

Λοιπόν, σήμερα από το πρωί δοκιμάζω τα quadral. Παρόλο που έχω ρυθμίσει τον ήχο όσο γίνεται μέσα από το winamp με το stereo tool, τα μπάσα που βγάζει δεν παλεύονται. Τρίζουν τα πάντα και σε αυτό συμφώνησαν και οι διπλανοί που έχουν νεογέννητο μωρό:103: Με το volume στο 2 κάτι γινόταν. Βέβαια ο ήχος δεν έχει καμία σχέση με αυτό το πράγμα που είχα πριν, αλλά νομίζω ότι είναι πολύ δυνατά ηχεία για μένα. Οπότε κατέληξα ότι με ενδιαφέρει περισσότερο ένας συνδυασμός που θα δίνει καλή ποιότητα σε χαμηλή κυρίως ένταση παρόλο που ακούω συνήθως beatakia. Οπότε μήπως αυτά που προσανατολίζομαι είναι too much? (στα 600 ευρώ σύνολο λέω) ή όχι. Εσείς θα μου πείτε, αν και πρέπει να πάω να ακούσω μερικά μικρά ηχεία να πάρω και γω μια ιδέα.

Πάντως αυτά που μου αρέσουν και σαν εμφάνιση έρχονται σε αντίθεση με όσα προανέφερα?
 


Staff online

ΣΤΑΤΙΣΤΙΚΑ

Threads
176.675
Μηνύματα
3.059.446
Members
38.588
Νεότερο μέλος
Zeppelsound
Top