Most visitors online was 7182 , on 21 Nov 2025

Μάλλον έχεις δίκιο. Απομένει να δούμε τεχνικά χαρακτηριστικά του φορτιστή που χρησιμοποιεί...Σίγουρα είναι εν σειρά Γιάννη ;
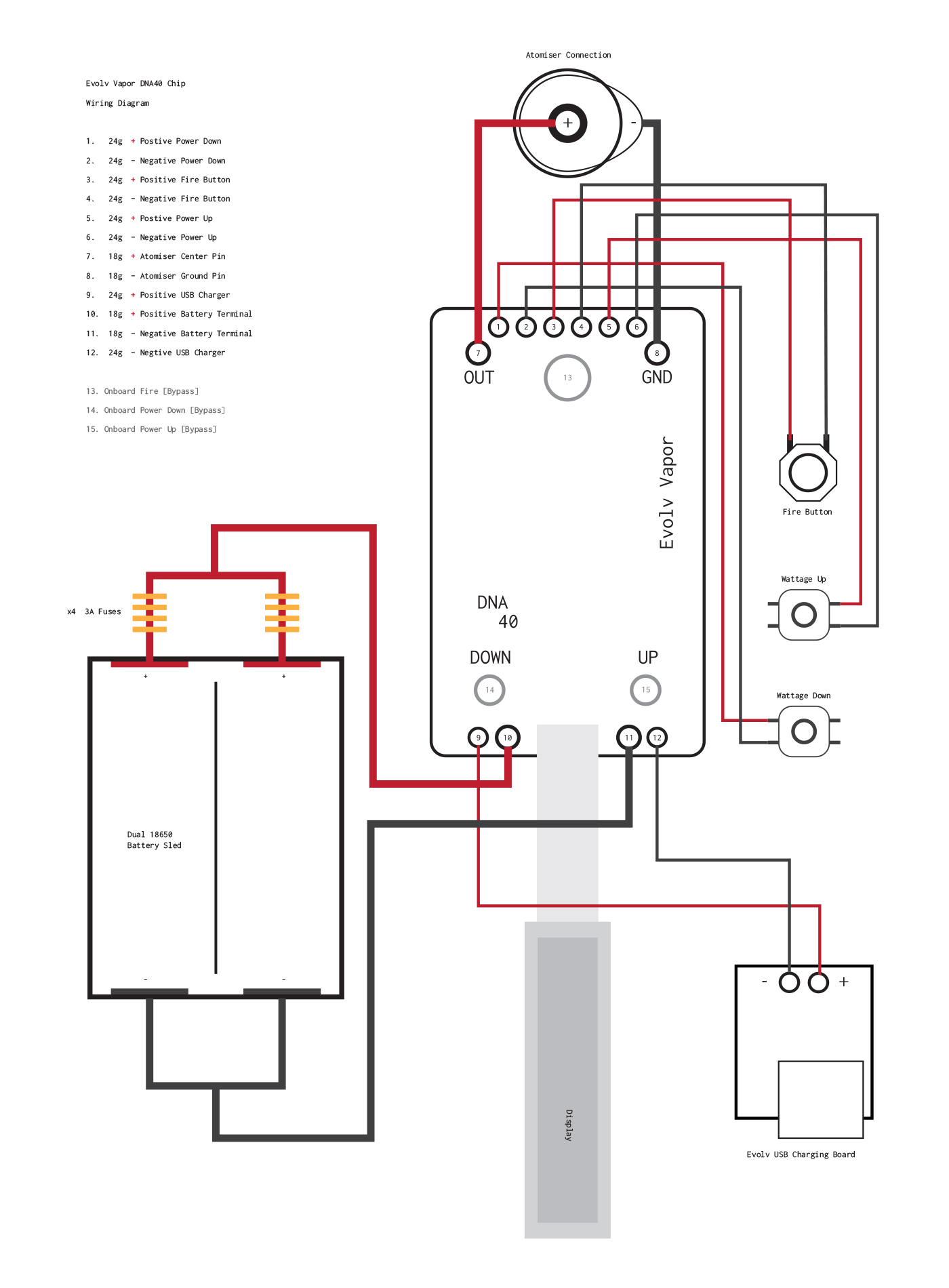
Δεν ήξερα οτι το DNA παίζει και σε 8,4 V![]()

Πληρώνεις design.....![]()
και αυτή η (made in usa) πλαστικατζούρα έχει $315.00...
![]()
![]()

Φαντάζομαι στον Γιάννη απευθύνεσαι....Πληρώνεις design.....
αλλά τι κσέρεις εσύ με τα ATC![]()

τον μαμίσιο φορτιστή χρησιμοποιεί ....................500μΑ είναιΜάλλον έχεις δίκιο. Απομένει να δούμε τεχνικά χαρακτηριστικά του φορτιστή που χρησιμοποιεί...
http://evolvapor.com/datasheet/dna40.pdf
Α..............ηρθες Στέλιο....δεν σε πρόσεξαΦαντάζομαι στον Γιάννη απευθύνεσαι....![]()
![]()
Δεν σημαίνει ότι αυτό έκανε η VS. Θέλει ψάξιμο.τον μαμίσιο φορτιστή χρησιμοποιεί ....................500μΑ είναι![]()
Και μόνο την διάταξη του εσωτερικού σκελετού να προσέξεις δεν έχει γέφυρα κάτωΠαράλληλα είναι..
Δεν σημαίνει ότι αυτό έκανε η VS. Θέλει ψάξιμο.
VF ήθελα να πω.Ξύπνα ρε.....
Η VS (vaporshark) έχει αλλο σύστημα ταχείας φόρτισης .
Η VF (Vaporflask ) χρησιμοποιεί τον μαμά DNA φορτιστή
![]()


ΠΟΤΕ δεν φορτίζουμε παράλληλα μπαταρίες, και υποθέτω ότι αυτό ακριβώς γίνεται με τους USB φορτιστές που έχουν μέσα τα mods (-πολύ πιο εύκολα φτιάχνεις charger με τάση εξόδου μικρότερη από την τάση εισόδου, στην περίπτωσή μας USB_V= 5V, output = 4,2V max.)
Διαβάστε το link, και ας μην αναφέρεται στις δικές μας μπαταρίες.
http://www.rogershobbycenter.com/lipoguide/
Parallel vs. Series Charging
A wonderful gentleman from the Netherlands contacted me recently asking about parallel charging verses series charging. He wanted to know how best to charge six of his single-cell LiPo batteries at the same time. Parallel charging adapters are readily available, so that must be the best way, right?
Absolutely not! Parallel charging can be very dangerous. Even experts from well-known battery manufacturers "consider parallel pack charging to be highly dangerous and should not be attempted even by experienced users". The problem with parallel charging (or even using your batteries in parallel) is that, when hooking up batteries in parallel, you are doubling the capacity of the batteries while, and this is important, maintaining the voltage of one of the individual batteries. What this means is that your charger, which normally monitors the battery while charging to prevent overcharging, cannot see all of the individual batteries' voltages - it can only see one.
Another problem with parallel charging is the inequality of the batteries. If the two batteries (and the cells contained therein) were from the exact same production lot, had the exact same chemical composition and age and charge history and everything else - in other words, if they were completely identical - parallel charging would be okay. But a consumer (that's you) will never be able to replicate those conditions, or even come close. The more those parameters differ, and considering the questionable balance charging techniques that many battery chargers use, the higher the chance of over charging and thermal runaway (more on that in the next section).
But what about batteries that are built in parallel? Doesn't the fact that batteries are sometime constructed in parallel mean that parallel charging is safe?
Like I said before, if you can match all those parameters to be identical, parallel charging is okay. At the factory where they make the packs, manufacturers are constantly monitoring and testing the materials that make up the cells. Each cell is labelled with a UPC code that contains the entire chemical makeup and history for that cell. When a manufacturer assembles a battery, a computer scans and sorts the cells into compatible matches. Only then is it safe to parallel charge these cells. However, when you charge a LiPo battery at home, even if it is already constructed in parallel, you don't need any fancy parallel charging boards - the work is already done for you, and you simply need to charge it as you would a normal battery.
Please, please, don't use parallel charging cords. There is no safe way to use these. Parallel charging simply tempts fate. You will be able to find thousands of successful attempts to parallel charge batteries around the web. These are simply people that have not yet managed to burn their home down. Every battery expert I have talked to agrees on this.
Series charging, on the other hand, is perfectly safe (or rather, no less dangerous than straight-up normal charging) if you set up your charger the right way. If you want to charge six single-cell LiPo batteries — that are all the same capacity — you can wire them up in series, set up your charger as if it were a six-cell LiPo, and balance charge your LiPos. The act of balance charging them is essentially making the charger individually charge each cell, making sure they are all kept at safe levels. If you only have a single-port charger, series charging is the only safe way to charge multiple batteries at the same time, but wiring them up properly is pretty complex and not something a beginner should attempt.
And the absolute best way to charge multiple batteries at the same time is to have a multi-port charger, like the Hitec X4 mentioned above. If you find yourself needing to charge many batteries at once, do the smart thing and purchase a charger (or chargers) that will fit your needs.
Πάντα οι μπαταρίες σε multi-port charger!
Παρακάτω είναι ένα link στο datasheet του SX350J:
http://www.yihiecigar.com/products_info/YiHiEcigar-SX350J-293407.html
Γιατί δεν έχουν συμπεριλάβει USB charging σε Dual battery mode?
Δεν έχει σχέση με τα ampers, μια χαρά φορτίζονται 2 μπαταρίες που είναι σε σειρά με 0,5 Α. Αλλά σε τάση 8,4 V, όχι σε 4,2 που δίνει η USB.
H YiHi, ξέρει ότι είναι πολύ επικίνδυνη η παράλληλη φόρτιση, και γι αυτό την αποφεύγει.

Σε παράλληλη σύνδεση είναι, που φαίνεται (φωτό) ότι χρησιμοποιούν τον standard φορτιστή των 500mA της VS ψάχνω να βρώ. Μήπως στα καινούργια versions της VF, χρησιμοποιούν ανεξάρτητη φόρτιση για κάθε μπαταρία?Είναι σε παράλληλη διάταξη Γιάννη
1)Το τσιπ δεν δέχεται πάνω από 4,3 βολτ
2)Δεν υπάρχει σύρμα που να ενώνει τους κάτω πόλους για σειριακή διάταξη .Τα - ενώνονται στο σώμα του μηχανήματος ομοίως και η γη του 510 και το τσιπ Common ground για όλα .Τσεκαρισμένο αυτό από e-kapnisma
3) Οι τάπες των μπαταριών δεν έχουν διαφορετική σήμανση .
