τελικος με darlington?

Μηνύματα
569
Reaction score
488
υπαρχει τετοιο σχεδιο μονης τροφοδοσιας με τα buz900/905 θα το σκεφτω λιγο γιατι ηθελα να το αποφυγω και δινει μονο 50w/8ohm
Aνεβασε το να το δουμε εαν θελεις ! .
 

Μηνύματα
361
Reaction score
221
το εχω εντυπο,να βρω καπου να το σκαναρω και θα το ανεβασω ισως αυριο
 

east electronics

Επαγγελματίας
Μηνύματα
1.602
Reaction score
1.586
1οχι
2οχι
3οχι
4 παιζεις με την φωτια
5 Τιποτα απο αυτα που ειπες δεν μπορει να δουλεψει τις τασεις τροφοδοσιας 105+105 ανορθωμενο ειναι για ενισχυτη γυρω στα 600W και τιποτα λιγοτερο
6 Δεν εχεις ψαξει καλα η δεν μιλας Αγγλικα πρεπει να εχω πανω απο 100 αρθρα ανεβασμενα αναφορικα με τα προβληματα σταθεροτητας στα διαφορα φορουμ
7 ενας ανθρωπινος μετασχηματιστης 2Χ24 στα 400 βαττ κοστιζει γυρω στο 50Ε οποτε τι συζηταμε ?

και τελος παιδικα σχηματικα υπαρχουν δεκαδες σαν αυτο που ανεβασες αλλα κανενα δεν λεει την αληθεια και δεν σου λεει πως πρεπει να προστατευσεις τον ενισχυτη απο τον εαυτο του και απο την χρηση που θα κοστισει πολυ παραπανω απο δυο τρανσιστορ εξοδου .

Σορρυ για τον τονο αλλα καλυτερα να τα "ακουσεις" λιγακι πιο σκληρα γιατι αν δεν το κοστος οπως σου ειπα θα ειναι μεγαλο ...Οι περισσοτεροι περασαμε απο εκει για να στα λεμε ...

Τελος εαν διαλεξεις κατι πιο βατο σωστο και ασφαλες θα εχεις την δικια μου βοηθεια και προφανως πολλων αλλων

Φιλικα
Σακης Πετροπουλος
 

east electronics

Επαγγελματίας
Μηνύματα
1.602
Reaction score
1.586
Για το virtual ground σε τελικο σε τετοια ισχυ η τοσο μεγαλη ταση ουτε καν θα αναφερθω ...εκει και εαν παιζεις με την φωτια ....
 

Μηνύματα
569
Reaction score
488
Για virtual ground γενικα σε οποιοδηποτε τρανζιστορατο μηχανημα δεν θα το σκεφτομουνα καν , εδω σε OTL λαμπατο και εχει θεμα φαντασου σε τρανζιστορ ! , οσο για το σχεδιο του τα ειπα και εγω στο ποστ # 13 .
 

east electronics

Επαγγελματίας
Μηνύματα
1.602
Reaction score
1.586
To virtual Ground ειναι μια κατασταση που μπορει να χρησιμοποιηθει οταν τα Φορτια ειναι σταθερα απο θετικη και αρνητικη πλευρα ως προς γη
Σε ενισχυτη αλλα και σε γενικα ταξης ΑΒ εφαρμογες αυτο ειναι πρακτικα απιθανο πρωτον γιατι κυκλωματικα μπορει η θετικη πλευρα να τραβαει κατιτις παραπανω απο την αρνητικη οποτε η αναφορα στην virtual ground παει περιπατο αλλα και επειδη ειναι ενισχυτης απο την φυση του μπορει σαν προγραμμα να τραβαει απο την μια η την αλλη πλευρα λαθος

Σαφως σε περιβαλλον virtual ground οταν τραβαει η μια απο τις δυο πλευρες γονατιζει η αλλη και αρχιζει και το offset αλλα και το ασσυμετρο κλιπ κατασταση καταστροφικη σε ολες τις περιπτωσεις αλλα και σε ολο το φασμα της ισχυος του μηχανηματος ...

Η μονη πιθανη περιπτωση ειναι κανενα αρχαιο σχεδιο το οποιο θα ειναι προφανως Quasi complementary με bipolar μονης τροφοδοσιας το οποιο απαραιτητα θα εχει πυκνωτης στην εξοδο και μπορει να βγαλει γυρω στα 100 w σε φορτιο 8Ωμ

Κατι λεει στο μυαλο μου οτι ο Quad 303 ηταν καπως ετσι αλλα αμφιβαλω αν η ταση τροφοδοσιας ηταν τοσο ψηλη θα πρεπει να το δεις ...
 

Μηνύματα
569
Reaction score
488
Σωστα ! υστερα και στο virtual Ground οι πυκνωτες τροφοδοσιας ειναι συνδεδεμενοι στην σειρα και στις αποτομες απαιτησεις του ενισχυτη σε ρευματα δημιουργειται το προβλημα , διοτι η φορτιση του ενος εξαρταται απο τον αλλο πυκνωτη ενω οι οποιες αντιστασεις bleeder που υπαρχουν εκει περα ειναι μονο για να κρατανε την ισσοροπια σε καταστασεις idle και το προβλημα δεν λυνεται με την αυξηση της χωρητικοτητας απλα βελτιωνεται λιγακι , ασε που αυτοι οι πυκνωτες κατα την γνωμη μου λειτουργουν και ως πυκνωτες εξοδου .
 

east electronics

Επαγγελματίας
Μηνύματα
1.602
Reaction score
1.586
o Quad 303 δουλευει με 67 volt οποταν ουτε για αστειο

Ομως βλεποντας το σχεδιο μου ηρθε μια απλη ιδεα που μπορει τελικα να χρησιμευσει Θα μπορουσες να σταθεροποιησεις τα 2Χ105 σε κατι πιο λογικο τυπου 2Χ60 αν και τοσο μεγαλη διαφορα τασης απαιτει σοβαρο σταθεροποιητη Θα εφτανες σε καποια λογικη ισχυ τυπου 120-150 watt και κατα την αποψη μου με σταθεροποιημενη τροφοδοσια και τοση ανεση απο πισω θα εφιαχνες ενα μαλλον ασυμφορο μηχανημα πλην ομως θα ειχε εξαιρετικο kick μεγαλη ικανοτητα οδηγησης υψηλο βαθμο ασφαλειας σε πολλες καταστασεις ( στο ηχητικο κομματι )πραγμα το οποιο με ενα απλο σχεδιο για ενισχυτη θα επαιζε απιστευτα καλα αλλα παρολα αυτα θα ειναι μια δουλεια εξαιρετικα ενεργοβορα και ασυμφορη .

Επομενη εναλλακτικη ειναι να μιλησεις με καποιον που κανει μετασχηματιστες ωστε να σου ξετυλιξουν σπειρες απο το Δευτερευον και να πεσει η ταση τροφοδοσιας Η και μια αλλη λυση να τυλιχτουν επιπλεον σπειρες αλλα αναποδα που εχει ακριβως το ιδιο αποτελεσμα

Φιλικα
Σακης Πετροπουλος
 

tyler durden

Μη ριβγιούερ
Μηνύματα
5.697
Reaction score
2.743
εχω στην κατοχη μου εναν εργοστασιακο ενισχυτη darlington, δεν ειχα ποτε προβληματα αξιοπιστιας και για τον ηχο του μπορουν να μιλησουν καποιοι φιλοι που τον εχουν ακουσει. Καθε τοπολογια εχει τα υπερ και τα κατα της τα οποια ισως τελικα εξαρτωνται σε ικανο βαθμο και απο τον τροπο της εκαστοτε υλοποιησης. IMHO παντα..
 
Last edited:


Μηνύματα
569
Reaction score
488
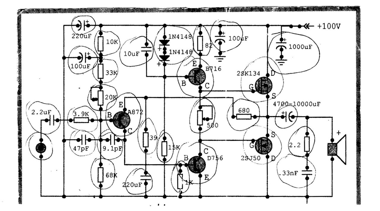
Παλιο , απλο αλλα κατα την γνωμη μου καλο σχεδιο με καλο ηχο , πιθανοτατα κιολας να πηρε ιδεες απο αυτο ενας γνωστος σχεδιαστης και να εφτιαξε ενα κυκλωμα που αρεσει ηχητικα σε πολλους DIYers , εαν το φτιαξεις θα βαλεις αντι το 2SK134 το 2SK135 επισης πρεπει να μπουν δυο αντιστασεις 0,22 - 0,27 Ω 5W στις πηγες των μοσφετ για να μπορεις να μετρας το ρευμα ηρεμιας και εννοειται οτι ο πυκνωτης εξοδου πρεπει να ειναι καλης ποιοτητας , υπαρχουν και καποια αλλα σημειακια που θελουν προσοχη αλλα θα τα πουμε μετα , αυτα ! .
 

east electronics

Επαγγελματίας
Μηνύματα
1.602
Reaction score
1.586
@Tyler
ποιος ειναι ο ενισχυτης που εχεις ?
@shadowww
το σχεδιο που εχεις ανεβασει ειναι αυτο που λεμε generic στην ουσια θα παιξει μια χαρα αλλα στην τροφοδοσια αυτη αναμενεις να βγαλει πλέον των 100W που σημαινει οτι τετοιο μηχανημα χωρις μεσα προστασιας απο τον ιδιο του τον εαυτο ειναι ενα θεματακι
@Ardmin
με δυο μονο μοσφετ στην εξοδο δεν χρειαζονται αντιστασεις το ρευμα ηρεμιας το μετρας με αμπερομετρο
 



tyler durden

Μη ριβγιούερ
Μηνύματα
5.697
Reaction score
2.743
πρωτη μερα αδεια και υπολειτουργω, σορρυ :), XA6200
 
Last edited:

east electronics

Επαγγελματίας
Μηνύματα
1.602
Reaction score
1.586
Η τοπολογια darlington θα βρεθει σχεδον σε καθε ενισχυτη παραγωγης σε ταξη ΑΒ Ομως τα προβληματα σταθεροτητας δεν ειναι στην τοπολογια ειναι στις συσκευες που χρησιμοποιυν τρανσιστορ Darlington

Στον ενισχυτη που εχεις η τοπολογια ειναι darlington και το μηχανημα ειναι κατασκευασμενο με διακριτα εξαρτηματα οποτε προβλημα ουδεν .

Το προβλημα ειναι στα τρανσιστορ εξοδου darlington οπως τα BDV 66-67 TIP 142-147 SAP 15 κλπ κλπ τα οποια εχουν τα προβληματα σταθεροτητας σε σχεση με το gain που πολλες φορες περνα το 2000 αλλα και μεν την θερμοκρασιακη σταθεροτητα
 

tyler durden

Μη ριβγιούερ
Μηνύματα
5.697
Reaction score
2.743
Κατανοητο. Η Xindak παντως χρησιμοποιει κατα κορον τη συγκεκριμμενη τοπολογια, και οσα μηχανακια εχω ακουσει εκπλησσουν ευχαριστα, χαρακτηριστικο παραδειγμα τα 8800 μονομπλοκ που ειχε και ο ΒασιληςΜ. Ολα βεβαια χρησιμοποιουν τρανζιστορ εξοδου toshiba ή sanken.
 
Last edited:

Μηνύματα
361
Reaction score
221
να ρωτησω κατι.
η χρηση σταθεροποιητη,υλικων ακριβειας και μεγαλων ψυκτρων δεν λυνει τα θεματα σταθεροτητας στα darlington?
 

east electronics

Επαγγελματίας
Μηνύματα
1.602
Reaction score
1.586
@Tyler ναι θα συμφωνησω εχω ακουσει και εγω αλλα οπως ειπα μην μπερδευουμε την τοπολογια με το εξαρτημα η τοπολογια αυτη υπαρχει σχεδον σε ολους τους ενισχυτες η δε xindak ακολουθησε την πεπατημενη χρησιμοποιωντας καλη δομηση , καλα υλικα , διακριτα εξαρτηματα και καλη ποιοτητα ημιαγωγων ...Οποτε τα αποτελεσματα διακαιωνουν και τις επιλογες και το αποτελεσμα .... Πραγματικα τους εχω ακουσει και παιζουν πολυ καλα για την κατηγορια ττου μηχανηματος ...

@shadowww
1-Αυτο που γραφεις η χρηση σταθεροποιητη για μενα ειναι αγνωστο αν θελεις περιγραψε καλυτερα τι θελεις να πεις
2-Πολλα εργοστασια προσπαθησαν ακριβως οπως περιγραφεις με υλικα ακριβειας , μεγαλες ψυκτρες και αλλου ειδους ακομα αντιμετρα αλλα τα αποτελεσματα ηταν παντα ιδια Κακος ηχος συγκριτικα με τα διακριτα εξαρτηματα και αυτοκαταστροφη σε περιπτωση που το μηχανημα πιεστει κατω απο συνθηκες που πολυ πιο απλα μηχανηματα επιβιωσαν χωρις κανενας να παρει μυρουδια

Αυτα ειναι απλα η στατιστικη ...τιποτα παραπανω

Φιλικα
Σακης Πετροπουλος
 

Μηνύματα
361
Reaction score
221
@Tyler ναι θα συμφωνησω εχω ακουσει και εγω αλλα οπως ειπα μην μπερδευουμε την τοπολογια με το εξαρτημα η τοπολογια αυτη υπαρχει σχεδον σε ολους τους ενισχυτες η δε xindak ακολουθησε την πεπατημενη χρησιμοποιωντας καλη δομηση , καλα υλικα , διακριτα εξαρτηματα και καλη ποιοτητα ημιαγωγων ...Οποτε τα αποτελεσματα διακαιωνουν και τις επιλογες και το αποτελεσμα .... Πραγματικα τους εχω ακουσει και παιζουν πολυ καλα για την κατηγορια ττου μηχανηματος ...

@shadowww
1-Αυτο που γραφεις η χρηση σταθεροποιητη για μενα ειναι αγνωστο αν θελεις περιγραψε καλυτερα τι θελεις να πεις
2-Πολλα εργοστασια προσπαθησαν ακριβως οπως περιγραφεις με υλικα ακριβειας , μεγαλες ψυκτρες και αλλου ειδους ακομα αντιμετρα αλλα τα αποτελεσματα ηταν παντα ιδια Κακος ηχος συγκριτικα με τα διακριτα εξαρτηματα και αυτοκαταστροφη σε περιπτωση που το μηχανημα πιεστει κατω απο συνθηκες που πολυ πιο απλα μηχανηματα επιβιωσαν χωρις κανενας να παρει μυρουδια

Αυτα ειναι απλα η στατιστικη ...τιποτα παραπανω

Φιλικα
Σακης Πετροπουλος
ενοω με καλη εξομαλυνση και σταθεροποιηση τασης στην τροφοδοσια
για τον ηχο τους δεν εχω ιδεα,ειναι σκληρος και συμπιεσμενος?
 


Staff online

ΣΤΑΤΙΣΤΙΚΑ

Threads
177.356
Μηνύματα
3.077.273
Members
38.688
Νεότερο μέλος
georgetsiakalakis
Top