- Μηνύματα
- 426
- Reaction score
- 1.276
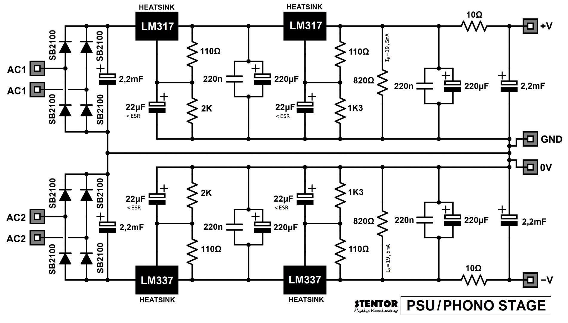
Αναγράφεται πάντα με (... Μ ...) κεφαλαίο γράμμα, (ΜF) ή (ΜFD) για να δηλωθούν τα micro-Farad's και να ξεχωρίζουν από τα milli-Farad's.Το ίδιο, ότι δηλαδή μF και mF είναι το ίδιο, αναφέρεται και εδώ:
https://laptrinhx.com/how-to-read-a-capacitor-2541962346/
Η θέση μου περί "τυπογραφικών λαθών", κατασκευαστών κι εμπόρων, παραμένει. Αν το έθετα επιεικέστερα θα έκανα λόγο περί "τυπογραφικών περιορισμών" των μηχανών εκτύπωσης που διαθέτει έκαστος.
Αλλά το θέμα δεν είναι το πώς "μεταφράζεις" τους βιομηχανικούς κωδικούς που φέρει ο πυκνωτής - κατά το "ευφάνταστο" του κατασκευαστή - αλλά πώς αναγράφεις τις χωρητικότητες στο κυκλωματικό σου διάγραμμα. Κι εδώ τα πράγματα είναι "μετρημένα".
2,2Ω = 2Ω2 = 2,2R = 2R2
2,2KΩ = 2,2K = 2K2
2,2mF = 2.200μF = 2.200uF = 2.200μ = 2.200u
2,2μF = 2,2uF = 2,2μ = 2,2u = 2u2 = 2μ2
2,2nF = 2,2n = 2n2
2,2pF = 2,2p = 2p2
ΥΓ. Όταν δεν έχω αρκετό χώρο, αντί να γράψω το συνηθισμένο 2.200μF, χρησιμοποιώ το πιο "συμπιεσμένο" 2,2mF.
Last edited:
